Hace unos años llego hasta mis manos un amplificador lineal RCA el que utiliza una válvula PL-172 y que se utilizaba en conjunto con una unidad radioteléfono SSB-1 Mark IV.
Una vez que ya estuvo en mi casa y taller de inmediato me puse a buscar información de este equipo, pero desafortunadamente la búsqueda resulto infructuosa y solo pude establecer que este tipo de equipo perteneció a la armada norteamericana y que según he sabido en Chile fue utilizado por la fuerza Aérea.
El amplificador resulta muy interesante ya que fue diseñado para una potencia de entrada de 1000 watt. Describirlo resultaría muy extenso, sin embargo solo diré que se trata de un amplificador de servicio continuo y que reúne todas las condiciones típicas de equipos profesionales de uso militar.
Por mas que busque información en la red no me fue posible encontrar manuales de servicio ni nada parecido, es mas, si encontré información que cuando la fuerza aérea los dio de baja y remato a muy bajo precio muchas unidades fueron rematadas y desafortunadamente cayeron en manos de aficionados a las comunicaciones y por falta de conocimientos, quizás justificado, terminaron por ser desmantelados para reutilizar sus partes y piezas en diversos equipos menores de apoyo a los sistemas de transmisión amateur, tales como sintonizadores de antena e incluso el gabinete principal utilizarlo como un gran cajón de herramientas o lo que fuese.
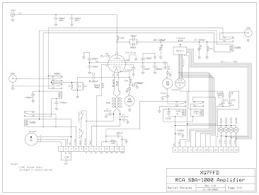
Como mi intención consistía en recuperar el RCA SBA-1000 y no encontré información alguna respecto de sus diferentes circuitos, decidí invertir tiempo, mucho tiempo y realizar un completo levantamiento de toda la circuitería de este amplificador.
Poco a poco iré dejando imágenes de este nuevo proyecto que espero a la brevedad terminar aquello que comencé hace ya largo tiempo.













